图知网
搜索
首页
热门推荐
图片分类
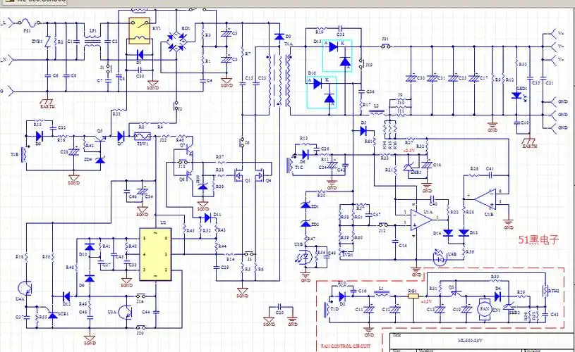
6条原因解释,24v开关电源电路的工作原理_电压
下载原图
相关图片
24v146a开关电源的电路图免费下载
24v350w开关电源电路原理图pcb工程文件uc3843adlm193芯片
请教大虾24v/2a的开关电源电路图.望不吝赐教
推荐一款24v5a电源芯片的acdc电源方案
具有电流补偿的24v稳压电源电路
明纬s-50w-24v开关电源电路原理图
为你推荐
ppt幻灯片背景图片可爱系列ppt
💎男生发型大全脸型分析发型设计|||男士发型上海男士发型上海男士
女生手绘背影头像
520礼物藤椅子单个老人田园竹椅植物靠背电脑家用复古老式结构编织竹
宿舍洗衣机
我的川菜生活姊妹篇 川菜菜谱做法大全 麻辣川菜饮食文化书籍舌尖上的
依保路机械表,瑞士手表依保路机械表
游刘青霞故居