图知网
搜索
首页
热门推荐
图片分类
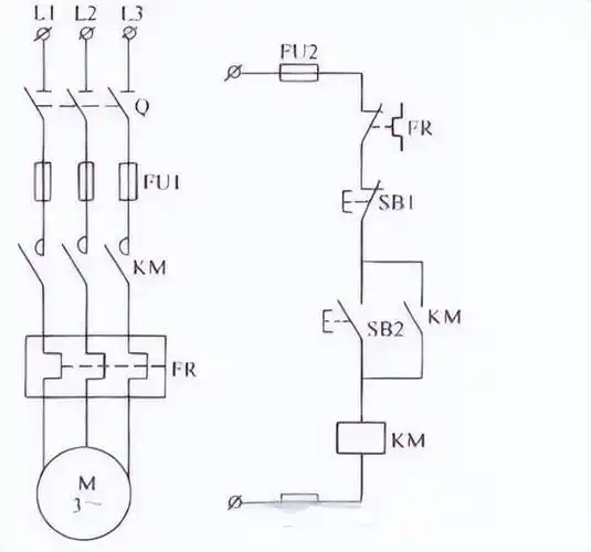
自锁电路
下载原图
相关图片
电气控制中的自锁
实训三 三相异步电动机自锁控制电路
电机自锁接线图 - 电路图分享_电工学习网
接触器自锁正转控制电路原理
以及常见自锁电路_回路_控制_电动机
点动自锁电路图
为你推荐
无论是邓恩熙还是张艺凡,出道多年了都没能大火,很多观众甚至连她们的
童年趣事之跳房子
火箭少女解散三年11位成员的差距已拉开真红还是假红一目了然
麦克雷
四大古城之一的兴城古城,保存至今还是值得一看,古城文化气息较为浓厚
幼儿园平面图
佩奇机器猫米老鼠等十大经典动漫卡通人物简笔画学着画画吧
四川叙永两千五百余人饮水困难解决