图知网
搜索
首页
热门推荐
图片分类
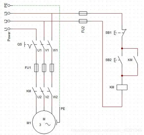
电气控制中的自锁
下载原图
相关图片
自锁电路
图1 电机自锁控制电路图
实训三 三相异步电动机自锁控制电路
接触器自锁正转控制电路原理
电动机自锁控制电路图(三相异步/自锁正转控制电路图)
继电器常用自锁电路图.doc
为你推荐
恋与制作人白起
315娱乐圈打假,何炅跟何洛洛没有血缘关系,鹿晗也不叫"刘壮实"
刘晓洁军中一枝花变身机器侠
行书中郎帖/东晋谢安 谢安,字安石,晋陈郡阳夏人,历官至大丞相,进拜
78尤克里里常用和弦详细按法及演示一
十二祖巫强中强
国学经典手抄报内容 国学经典手抄报内容写什么