图知网
搜索
首页
热门推荐
图片分类
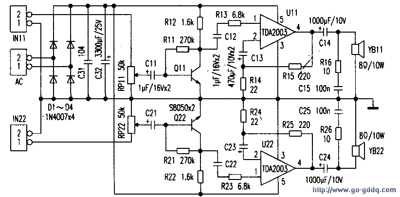
tda2003功放电路图/技术资料
下载原图
相关图片
tda2003功放电路设计
10w汽车收音机功放电路—tda2003_单片机学习手记_百度空间
两方面,市场上销售的多媒体音响,大部分是把功放模块嵌入在音箱内部
用tda2003组成的有源功放电路
功放电路图
diy一个tda2030a功放器,需要哪些零件,各部分要怎么焊接?
为你推荐
宝石之国脆皮组
傲娇小受与霸道老攻:我做菜是给你吃的,你老看我干嘛?
血木是什么树
常见电气元件图形符号文字符号一览表
六轴机械臂控制原理图_你知道六轴关节机器人的运动原理和机械结构吗?
比如,coco的招牌产品奶茶三兄弟, 之前小杯和大杯的价格分别是11元
t恤图案设计
线条摩天轮