图知网
搜索
首页
热门推荐
图片分类
当jojo的角色们换上别的衣服,徐伦很合适,dio看着挺开心
下载原图
相关图片
制作:原作:野田宏99若松卓宏(講談社「月刊少年マガジン」連載)监督
平田薰
恶魔高校d×d
『ワンピースグランドアリーナツアー 』
ワンピース"3d2y"エースの死を越えて!ルフィ仲间との誓い
長澤まさみ—calpis カルピスを飲んだ顔篇
为你推荐
简单又好画的q版小人物萌萌哒的q版萌图简笔画
安化黑茶华莱健湖南黑茶陈小黑转400克
萌系二次元女孩头像图片,萌系二次元少女壁纸-触站
三毛你看,撒哈拉沙漠竟然下大雪了
从前慢(唯音悦编配版)简谱-曲谱 - 酷好简谱
广州三个月大纯种柴犬转让
邱言《美丽乡村》
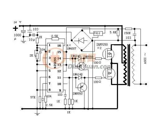
图一 使用12v的逆变器2:我想参照这个电路做个24v转成220v的逆变器