图知网
搜索
首页
热门推荐
图片分类
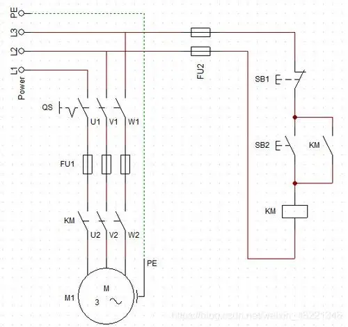
电机自锁接线图 - 电路图分享_电工学习网
下载原图
相关图片
中间继电器是电工电路中必不可少的元器件,它触 - 抖音
电气控制中的自锁
图1 电机自锁控制电路图
自锁电路原理
接触器自锁接线电路-电子发烧友网
继电器自锁电路
为你推荐
简谱一字一句讲解《最亲的人》被岳云鹏春晚唱火的一首歌
27岁的何穗和40岁的李小冉到底谁更白?
林深不知处盲盒
【皮肤鉴赏】青花瓷格雷福斯-英雄联盟官方网站-腾讯游戏
dtails dsgame
东方红拖拉机两驱前桥配件转向总成
太可怕了胆小勿看 #拯救片荒 - 抖音
方捷主持召开市委常委会(扩大)会议_兴化市