图知网
搜索
首页
热门推荐
图片分类
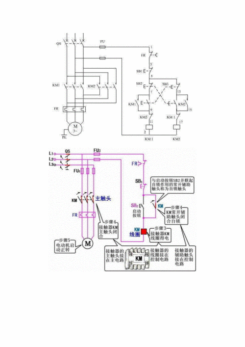
自锁电路原理
下载原图
相关图片
很多朋友都知道交流接触器可以自锁,中间继电器也可以自锁,但是知道
电路自锁
中间继电器是电工电路中必不可少的元器件,它触 - 抖音
电气控制中的自锁
电机自锁接线图 - 电路图分享_电工学习网
接触器自锁接线电路-电子发烧友网
为你推荐
美女氛围头像小红书搬运持更
港铁迪士尼线下雨天慢速进站
国画经典第107期著名画家郭明堂精品展
卡诺亚定制的衣柜效果怎么样答案都在这里
word2003,插入艺术字,怎样才能文字竖排,数字横排,如图.
苦菜图片
速求蝎子的素描!
一人之下#老天师:老子高兴,一人之下,老子不高兴,一人一下.