图知网
搜索
首页
热门推荐
图片分类
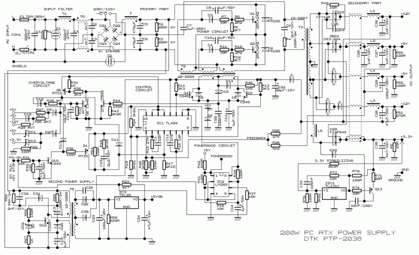
开关电源 我的分析 指正错误?
下载原图
相关图片
简易220v转12v开关电源电路图
新人求教:开关电源电路?
实用的开关电源电路
开关电源电路原理(附原理图)
ob2202参数datasheetpdf下载
交流220v转直流600v开关电源原理图
为你推荐
投票开始啦深圳市龙华区logo等你来pick
男生"两边铲短"发型适合所有人,这12款值得尝试,清爽又帅气
粗字笔画笔顺粗字怎么写
观察主体的特征,充分发挥想象力运用形状,颜色,纹饰对火箭进行设计3
男士发型推荐纹理烫三七分979797 不可否认 发型对人的影响真的
本田26990元市售版pcx150踏板车型图文解析
滇西大树杜鹃 隐秘而绚烂的花事
教你人物面部比例结构画法详解!|脸型|轮廓|插画|绘画_网易订阅