图知网
搜索
首页
热门推荐
图片分类
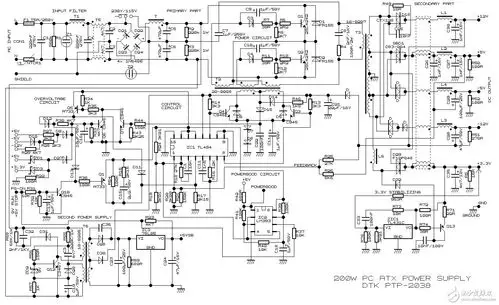
开关电源电路原理(附原理图)
下载原图
相关图片
简易220v转12v开关电源电路图
开关电源电路原理图
一款高频开关电源电路图
开关电源电路
开关电源应用电路常见开关电源电路设计汇总八款模拟电路设计原理图
交流220v转直流600v开关电源原理图
为你推荐
168cm120斤的夏日辣妹穿搭
郑爽白色星辰礼服亮相狮晚这波什么水平zt
桶装水图片
京小招:分行第十七届职工运动会开幕啦
包邮龙诚海a4不干胶切割打印纸贴标签纸地址标签文件档案光盘磁盘
冰箱贴纸网红冰箱贴纸创意双开门冰柜侧面贴画厨房翻新贴膜3d立体花花
礼物你是三千美丽世界里我的一瓢水所以让我再靠近一点点因为你太温暖
内蒙古特产 正蓝旗长虹水果糖500克 70年代的味道 老水果糖