图知网
搜索
首页
热门推荐
图片分类
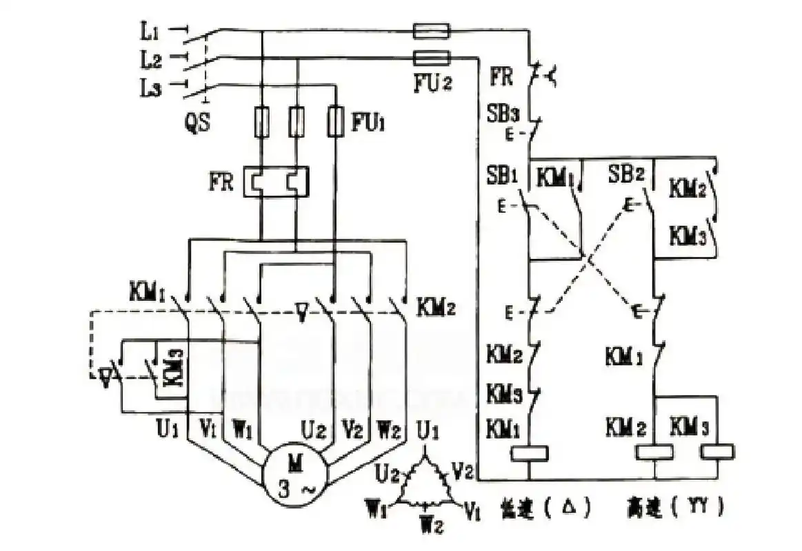
三相绕线转子异步电动机的控制电路–电路图–电子工程世界
下载原图
相关图片
下一页 你可能喜欢 三相异步电动机正反转控制电路 电机正反转接线图
三相异步电动机正反转控制电路见附图.
笼型异步电动机启动控制电路
电路图解 应用频敏变阻器启动线绕转子异步电动机的控制线路如下图
三相鼠笼式电动机变极调速控制电路图解 异步电动机的调速方法有变极
2三相异步电动机单向起动控制线路
为你推荐
一个字绝周星驰视频
徐贤
那么多年过去了,袁弘和张歆艺的婚礼伴郎团真的是我见过的最帅伴郎团
小光头alex
今日份的洛丽塔头像~请签收
情头直树湘琴恶作剧之吻
你是享福命,还是劳碌命?脱下鞋看看自己脚趾头就知道了!
中国军人的肩章级别