图知网
搜索
首页
热门推荐
图片分类
锡矿石
下载原图
相关图片
锡矿石进口报关手续流程,锡矿石清关单证税金等注意事项「正报」
锡矿石
今天发一组锡石图片锡石,锡矿,图片,黄锡矿,粒状480万注册会员,工作日
锡矿石
今天发一组锡石图片锡石,锡矿,图片,黄锡矿,粒状480万注册会员,工作日
白色的粗锡石(锡矿)石
为你推荐
易建联真实身高易建联真实身高207
11岁早衰女童预计能活过15岁
望远镜evscope说不定它能满足你对宇宙流光溢彩的幻想
77马克笔绘画鞋子线稿勾线稿
北京运河商务区希尔顿欢朋酒店图片
陌上春归云纹女士棒针扭花套头毛衣
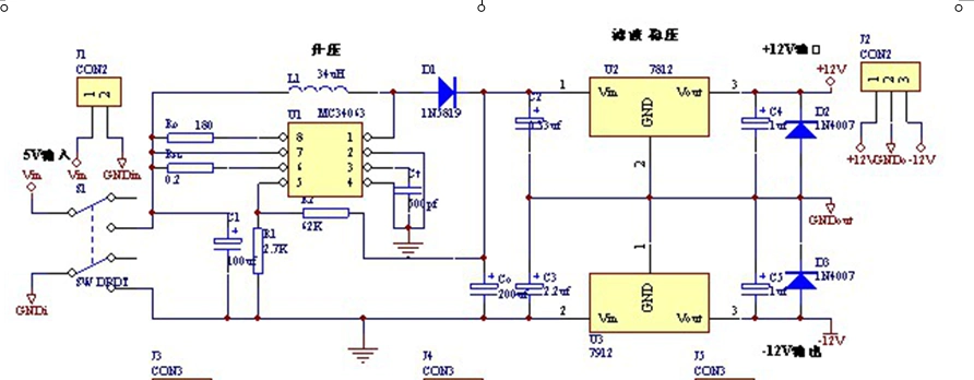
7912输入的电压在-14到-17v,但是此电路图7912输入接地了,怎么解释
清乾隆老坑翡翠龙钮古希天子玉玺