图知网
搜索
首页
热门推荐
图片分类
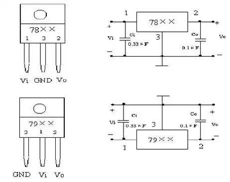
7912输入的电压在-14到-17v,但是此电路图7912输入接地了,怎么解释
下载原图
相关图片
连城
(2),7812和7912是常用件,但是关于引脚定义挺乱的,总之是
三端稳压器7912引脚功能电路接法
关于利用7812和7912单电压转双电压的探讨
7812和7912组成对称电源,我这个图有什么问题.
第二路稳压电源采用lm7912三端稳压块制作.
为你推荐
人像摄影——夏天的样子
暑期英语启蒙怎么个启法正确打开方式都在这里呢
张子枫成为 sk-ii 全球品牌代言人 - 次元蜗
素描孙悟空步骤图分享一念是神一念是魔
手感不错的act作品身陷死灵之地的少女艰难的逃亡之路
第二期线上风景速写课学员成果——(三)
匠人制作小提琴
艺术,其他设计素材,其他设计素材绘画景物