图知网
搜索
首页
热门推荐
图片分类
8大电工基础电路老电工电工初学者蜕变为电气大神的必经之路
下载原图
相关图片
电子技术基础 共发射极放大电路 求详解图里问题
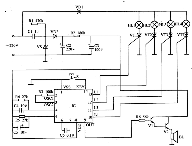
彩灯控制器电路图大全 - 照明灯电路图 - 电子发烧友网
免费文档 所有分类 工程科技 电子/电路 电工考证电路图 第1页 (共4页
单端输出差动放大器电路-电路图-aet-中国科技核心期刊-最丰富的电子
基础电路图 电子入门电路图 ->发光二极管电压测量电路图 本电路用
模电总结复习_模拟电子技术基础.
为你推荐
中天门到南天门,攀登仙境的壮丽之旅需多久?
疫情主题原创海报
023b5bb5c9ea15ce1808fc2bb7003af33a87b229_副本 /9
教您如何对付高考数学大题
好消息!西安到榆林动车7月1日试运行
精选湖面早晨日出美景图片高清电脑壁纸高清大图预览1920x1080_风景
有趣,卡通,蚯蚓,矢量,插画_高清图片_全景视觉
瓦楞板筋立体构成折纸