图知网
搜索
首页
热门推荐
图片分类
34063电路板刻好了,测试效率顺带问些问题.
下载原图
相关图片
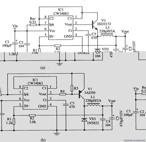
用cw34063构成的降压型扩大输出电流的应用电路
请问,34063的这个扩流电路怎么分析电流流向.而且1.
mc34063降压扩流设计原理图 - 电源电路图 - 电子发烧友网
这个34063升压电路,改哪个电阻可以改变输出电压?
mc34063典型应用电路:3v转5v升压电路
求ic34063 输入24v输出12v1.5a电路
为你推荐
海贼王罗罗诺亚索隆临摹过程
关键词:卫生日白色的手套插画 白色的手套 卡通插画 卫生插画 世界
写美篇 这座金碧辉煌的建筑叫做"坛城",在佛学院最高的山峰上
财务报表包括哪些内容?
泰山九女峰云的女儿
tags:saber (fate series)
junecover
交通标识设计图__公共标识标志_标志图标_设计图库_昵图网nipic.com