图知网
搜索
首页
热门推荐
图片分类
proteus51仿真led
下载原图
相关图片
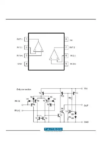
lm393 电压比较器及其典型电路介绍
lm339/lm393是四电压比较器集成电路.
38v共模输入电压范围包括接地b 版本可直接取代 lm293,lm393 和 lm
lm393p8-xx-tr70 pdf datasheet浏览和下载
lm393 芯片lm393怎么判断是否损坏
lm353
为你推荐
矢量手绘橱柜
近日,有网友扒出张彬彬童年旧照,这才发现他儿时就俨然是小童星的模样
魔卡少女樱高清壁纸合集
北欧风格墙纸简约个性立体几何图案电视背景墙壁纸客厅8d影视墙布
vr全景图漫游/景区
哆啦a梦电影系列最感人的一部:《大雄的怀念奶奶》
建筑设计 项目_范斯沃斯住宅
黑蛇