图知网
搜索
首页
热门推荐
图片分类
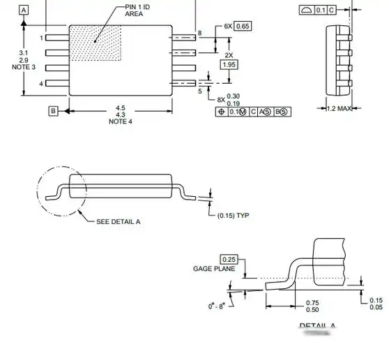
lm393p8-xx-tr70 pdf datasheet浏览和下载
下载原图
相关图片
lm2903dmr2g电压比较器中文资料pdf数据手册引脚图规格书参数产品手册
lm393 电压比较器及其典型电路介绍
38v共模输入电压范围包括接地b 版本可直接取代 lm293,lm393 和 lm
mje13003 pdf下载及第3页内容在线浏览
或者查看更详细的产品规格书技术资料,请联系我们lm393w 具有内部 esd
产品概述:m393b 和 lm2903b 器件是业界通用 lm393 和 lm2903 比较器
为你推荐
身高170男生穿搭很难吗
朱珠和花裙子的适配度#精英律师,浪姐里都有被朱珠穿花裙子惊艳 !!
可爱王者荣耀闺蜜开黑头像q版图片
辰颐物语:富含花青素的"紫人参",紫淮山紫山药,秋冬季就吃它_到货_时
风中有朵雨做的云粤语版
手绘小日常 #画画的日常 #漫生活 #控笔训练 #火柴人简笔画 简
广州出日版switchlite
洛阳紫铜进户门子母门通用尺寸108-128/218/24-29