图知网
搜索
首页
热门推荐
图片分类
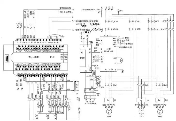
西门子plc编程技巧,经典实例讲解
下载原图
相关图片
plc控制电机正反转原理图
plc恒压供水装置 电路图
图1-11 plc控制电动机正反转线路图
变频器配合plc控制电动机电路的识读方法
基于plc控制的五层电梯系统(正文)
电梯plc原理图(四张图).zip_知学网
为你推荐
在故宫的红墙绿瓦下,刘亦菲身着旗袍,优雅地走在历史的长廊中,领略
矢量粉红色心形爱心背景
千金翼方(资料图)覆盆子,在孙思邈的《千金翼方》中有:"覆盆子味甘平
思念天堂里的父亲!
梦诗鸿家居生活馆中东新生活店
手工黑陶八孔中号初学可刻字画民族乐器外事埙
和孙悟空结拜的另外五个大圣去哪儿了?取经路上这五个妖怪很可疑
剧版镇魂 沈巍 朱一龙 手机壁纸 自制