图知网
搜索
首页
热门推荐
图片分类
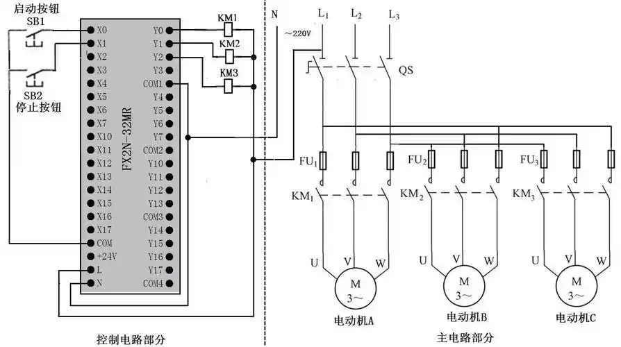
plc恒压供水装置 电路图
下载原图
相关图片
应用小型plc独立控制技术,实现电动机的低电压自启动 - 电气技术杂志
图1-11 plc控制电动机正反转线路图
西门子plc编程技巧,经典实例讲解
锦州创新plc绞车6861原理图 - 00005
武汉喷泉公司-恒利达-plc基本功(续):喷泉和交通等的plc控制实例详解
电梯plc原理图(四张图).zip_知学网
为你推荐
王源 歌手梦想十年大片##王源#王源身穿一袭绿色滑面外套,明亮的皮革
美国国旗高清头像图片
飞动双缸水冷柴油机2540马力四冲程电启动手摇启动正品保证
三门峡导水槽价格物美价廉
亲民的豪华之选空间领先同级bose音响双层玻璃1838万起售
八卦镜化煞气要怎么挂这才是正确的方式
定制阁楼鞋柜实木楼梯柜复式公寓楼梯柜多功能简约收纳家用储物柜
地铁口50处非机动车停车位投用!