图知网
搜索
首页
热门推荐
图片分类
柴油发电机启动电瓶怎么接线?
下载原图
相关图片
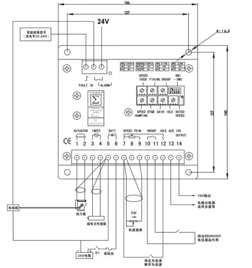
康明斯电子调速器接线分布图-柴油发电机组.png
1号机并车接线图-康明斯柴油发电机组并联系统.png
图解康明斯发电机组调速器常见故障维修案例
hgm6110nc柴油发电机接线电路图-康明斯发电机组.png
这汽车发电机怎么接线?
启动,控制和励磁系统在柴油发电机组上的接线布置图
为你推荐
好久不见的王力宏留起了胡子还是络腮胡4254
十二星座q版 水彩手绘
哈佛毕业的华为小公主姚安娜带资空降娱乐圈注定星途璀璨
金毛头像可爱高清大全
野生动物的脚印图片
制造业专业技术 69 金属材料,热处理和表面处理 69 焊接出现气孔?
本学期第三单元是诗歌单元,孩子们在疫情期间边学习边制作诗集.
低调轻奢的衣帽间总有一款适合您