图知网
搜索
首页
热门推荐
图片分类
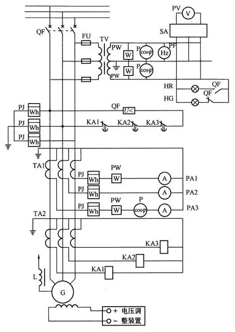
康明斯电子调速器接线分布图-柴油发电机组.png
下载原图
相关图片
康明斯柴油发电机组安装的接线图
柴油发电机启动电瓶怎么接线?
伊顿康明斯amt电路图.
两根线内调发电机改外条发电机
图解康明斯发电机组调速器常见故障维修案例
柴油发电机工作原理及如何接线图解
为你推荐
唯美动漫高清图片手机壁纸
赵露思现身意大利庄园,新染的发色和黑色礼服非常搭调,口红色号也很
夏天来了,画一组好吃又好看的雪糕冰淇淋吧#简笔画 #一起学画 - 抖音
年轻时彩色的你—奥黛丽·赫本.
可爱软萌紫色系卡通头像二次元女生可爱点
此本天主教小册便于阅读携带,民国,年间出版,封面材质,极为特殊.
农村田地里经常看到的小动物被叫做"地羊",不是真的羊,作用不小
满天星种子撒土里4天冒出小豆芽开花满盆都是星星