图知网
搜索
首页
热门推荐
图片分类
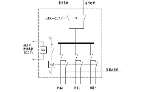
电脑双电源供电教程图
下载原图
相关图片
双电源切换开关是什么?如何接线?(图文分析)
双电源怎么接线双电源供电电路图
220v电动机带2个电容如何倒转
220v双电源自动转换开关
双电源自动转换开关接线原理图说明.doc
电工知识:双电源手动切换电路,一主一备工作原理,实物讲解
为你推荐
闰土=吃土的平方,其实吃土很久了,花式吃土,吃土
小伙坐在海边欣赏风景夕阳西下海水湛蓝
美帮汇宿舍床上三件套学生单人风寝室高中大学被子褥子全套装六件套
2,小乐曲《小钟》,《小青蛙》,《小星星》,《新年好》每天弹奏5遍;3
夜游岳阳楼
小草帽图片-海量高清小草帽图片大全 - 阿里巴巴
2015年新苏教版三年级数学下册全册教案
惊艳15套造价仅20万以内农村二层农村自建房精选户型图请收藏