图知网
搜索
首页
热门推荐
图片分类
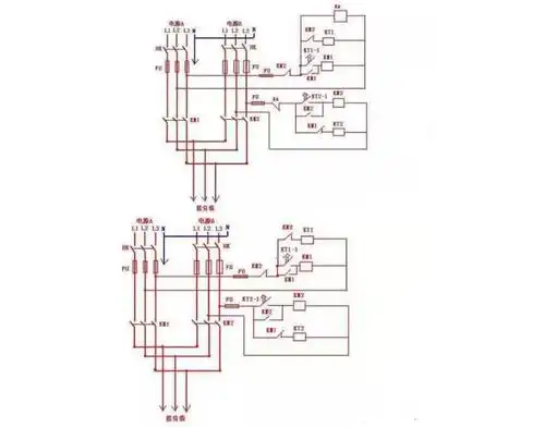
电工知识:双电源手动切换电路,一主一备工作原理,实物讲解
下载原图
相关图片
双电源接线图
双电源怎么接线双电源供电电路图
双电源怎么接线双电源供电电路图
220v双电源自动转换开关
220v双电容电机接线图而副绕组与电容器串联后再与主
电脑双电源供电教程图
为你推荐
寸头真的很考验颜值,男神们的寸头造型真的太帅了,你最喜欢哪个[爱你]
励志头像图片大全186张 高清好看的正能量励志头像拼搏图片_励志头像
好看又干净的女生真人头像图片 小众小清新的清纯美女头像大全_女生
郑爽张恒分手原因是什么郑爽张恒什么时候分的手
家常菜砂锅炖丸子
半跏坐即以左右之一足押一股,也可分为二种:即以右足押于左股上者
布加替尼布吉替尼全球价格2020年4月采集
斗罗大陆小舞献祭我哭爆真正的相思断肠