图知网
搜索
首页
热门推荐
图片分类
南瓜图片_图片大全
下载原图
相关图片
雕刻老南瓜图片
南瓜图片_图片大全
南瓜图片_图片大全
成熟的南瓜
成堆的南瓜图片第7张
好看的南瓜摄影写真
为你推荐
假发古装汉代三生三世头套王爷反串发髻整顶套上整顶假发
情侣,咖啡,年轻,喝咖啡,交谈
主持人任良韵连续6年主持安徽卫视春晚工作25年0绯闻0失误
随便拿的一包辣条
小星星
【金华】2010年12月 奔驰c级 2010款 c200 cgi 1.8t 时尚型 手自一体
求offer
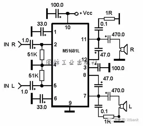
348个实用电路图大全