图知网
搜索
首页
热门推荐
图片分类
348个实用电路图大全
下载原图
相关图片
led电源模块bp283128322833典型应用电路
bp2832a完美升级版方案lnk6932p-电子电路图,电子技术资料网站
bp2802 datasheet
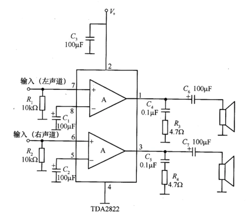
自制迷你小功放 1, 首先了解电路图主要以核心元件集成电路tda2822为
多控一开关控制电路
音色圆润细腻的hi-fi大功率dmos集成功放tda7293-其他光电实用电路图
为你推荐
价格今日行情 室内门 隔音防盗门】价格_批发_厂家_参数_图片_平开门
图文热搜词创作任务 #剪纸小鸟 ……… - 抖音
已经通关啦!04|疯狂的手机 - 论坛 | taptap 发现好游戏
黔椒苑贵州特产麻辣土豆片
西施 诗语江南
网架结构可以使用在那些地方
云烟香烟价格表图
诺顿杀毒软件