图知网
搜索
首页
热门推荐
图片分类
展开全部 7805和npn型功率管组成的扩流电路 追问 我的第2管脚接刀怂
下载原图
相关图片
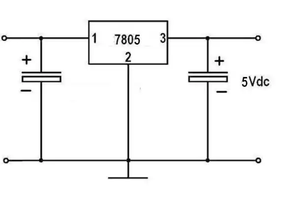
7805稳压电源电路图
7805稳压电源电路图
利用7805设计一个输出5v,2a(扩大输出电流)的直流稳压电源
经变压器12v整流过后用什么能稳压 5v电路?
〈正,负稳压7805电路(2) 三端稳压器的型号规格和管脚分布.
我要将12v电池用7805变为5v供usb要怎么连接?
为你推荐
漂浮在空间中的宇宙飞船
ldr6028直播声卡充电加音频的福音
华能股票 华能股票行情
大气营养均衡食堂文化标语宣传挂画海报素材
post by:2013/11/3 8:27:00 [只看该作者] 热烈欢迎新之朋友!
二百年恩怨情仇普宁这两个村终于解除让我们一起全程见证
视力检查表
钢笔画利用照片画民居13