图知网
搜索
首页
热门推荐
图片分类
奥特曼绝版卡片单卖hr奥特之王赛迦诺亚贝利亚奥特曼玩具专区
下载原图
相关图片
特利迦奥特曼卡片黄金卡荣耀版绝版泽塔签名卡全套收藏册卡册卡牌100
奥特曼黄金绝版卡片稀有gp金卡hr满星金冠卡牌整盒全套黑钻版 ()72种
奥特曼卡片稀有绝版荣耀版签名卡稀有usr卡片奥特曼卡牌2盒72包装504
奥特曼卡片满星卡sp绝版全套蓝红紫gp卡xr稀有usr单卖卡牌收藏册3d
收点奥特曼绝版卡,品相好的价格高!#奥特曼卡片 #卡游奥特曼 - 抖音
奥特曼卡片 - 抖音
为你推荐
梅长苏(胡歌 饰) 出处:《琅琊榜》 "麒麟才子 江左梅郎 得之可得天下"
刘诗诗吴奇隆同款秀禾服新娘中式礼服嫁衣龙凤褂结婚旗袍2020新款
陈赫帅哥贱兮兮gif动图_动态图_表情包下载_soogif
《今年最美的荷花在太平湖》
这些手机指纹识别技术,你正在用哪个?_屏幕_按压式
超萌三丽鸥头像
鱼的头像图片
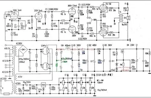
电子管功放电路图