图知网
搜索
首页
热门推荐
图片分类
女生头像:御姐范的小胖妞,太可爱了!#头像# #微信头像
下载原图
相关图片
好可爱的时尚胖妞!
萌娃漫画头像 #小胖妞上线 #治愈系 #卡哇伊 #我又来送 - 抖音
长相颇为喜感的小胖妞 . 哈哈 丑萌丑萌的可爱
ai绘画|小胖妞*霸气十足大姐大 不是我胖,是可爱到膨胀
长相颇为喜感的小胖妞 . 哈哈 丑萌丑萌的可爱
女生头像:御姐范的小胖妞,太可爱了!#头像# #微信头像
为你推荐
达堂一把初期酱釉瓷老茶壶 厂货外销瓷壶 50/60年代老物件旧物品
繁星
媒曝:李学鹏希望踢完亚冠再手术
杨超越美腿系列写真
鱼竿——主营商品:渔具鱼竿类型:手竿/台钓竿/路亚竿/渔轮/渔具等品牌
原创和平精英新枪械mg3和m249谁才是扫车神器热狗还是大盘鸡
开心项目,快乐阅读——湖师院南浔附小学生"大自然笔记"成果展之作物
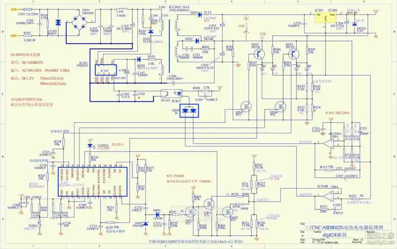
003-三洋nc-mdr02n充电器电路原理图.jpg