图知网
搜索
首页
热门推荐
图片分类
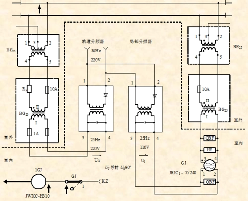
25hz轨道电路故障判断
下载原图
相关图片
25hz轨道电路
25hz轨道电路测试
铁路的信号25hz相敏轨道电路
25hz相敏轨道电路
铁路信号—25hz相敏轨道电路
25hz轨道电路.ppt1
为你推荐
编发彩绳脏脏辫头绳辫子编头发的神器2021年闪钻链条马尾点缀头饰 两
执剑小哥哥,帅!|古风男生头像
张嘉倪用三款羽毛裙演绎完美冬日时尚风,仙气飘飘还超有国际范儿_白色
精品瓜子黄杨造型树黄杨入户发家致富四季常青不落叶耐寒耐旱南北都
半藏森林刘阳不戴套视频是怎么回事
恐怖游戏《烟火》03 初步调查 全剧情游戏实况解说
"约巴龙"火箭炮,可齐射240发火箭弹,火力一次覆盖40万平方米
智能交通灯控制系统升级方案基于迅为itop4418平台