图知网
搜索
首页
热门推荐
图片分类
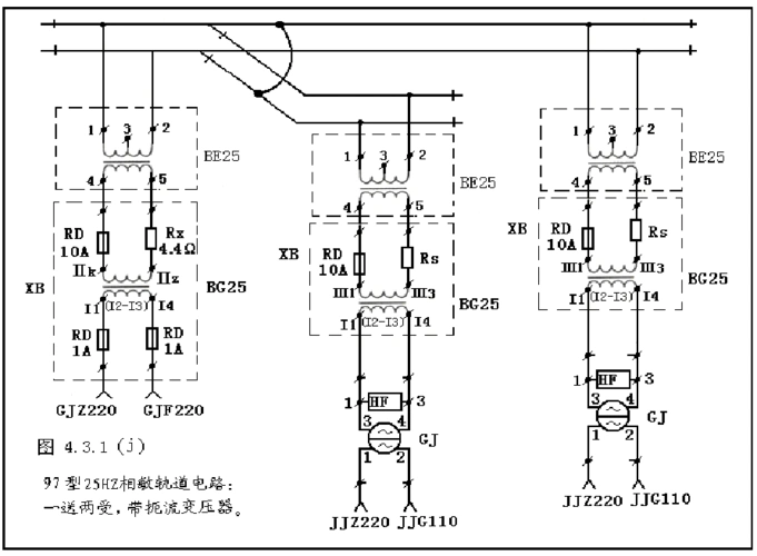
铁路的信号25hz相敏轨道电路
下载原图
相关图片
25hz相敏轨道电路原理(doc)
25hz轨道电路测试
25hz相敏轨道电路一送二受电路原理图
25hz相敏轨道电路调整注意事项及方法
25hz轨道电路故障判断
97型25hz相敏轨道电路的测试和调整_三
为你推荐
150173情侣穿搭蓝色系清爽夏日搭配
朱迪和尼克情侣头像高清好看的尼克朱迪情侣头像图片
霍元甲
铃木伸之眼镜微笑心机表gif动图_动态图_表情包下载_soogif
钱盒子订婚聘金礼金箱10万提亲陪嫁用品大全装定婚下聘礼箱子龙凤呈祥
胃疼胃胀气胃病表情包
客厅干树枝干花装饰落地玄关隔断橱窗龙柳干枝装饰花天然假花摆件
梵文