图知网
搜索
首页
热门推荐
图片分类
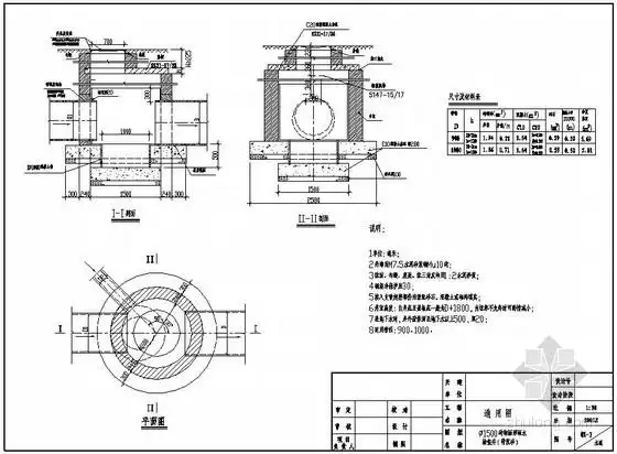
沉沙井大样
下载原图
相关图片
各种沉砂井大样图
沉沙井大样
地下空间工程沉井基础技术培训2018
沉砂井大样图
沉井结构配筋图
一种用于海绵城市的雨水沉砂井
为你推荐
卡通手绘炒菜厨师元素原创插画素材女人淘米煮饭手绘卡通q版厨师原创
女子大巴醒来发现鞋子有精液 男乘客称自己有病
帖子主题:直击台湾女蛙人军官恐怖魔鬼训练/组图
对她祈祷高考也不会过的!智障女神阿库娅智障盘点
流光之城孟绪安七爷衣服穿搭全集经超穿西装金丝眼镜真的太帅了
黄金叶香烟价格表大全及品种2020
父母彼此相爱,是给孩子成长的最好礼物!
美国陆军公开最新"直视光学瞄准镜"ngsw将服役 为何还要采购?