图知网
搜索
首页
热门推荐
图片分类
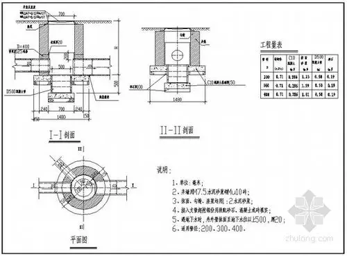
各种沉砂井大样图
下载原图
相关图片
沉沙井大样
广东沉井法工作井需要套哪些定额
沉井结构配筋图
给排水工程常用构筑物集水沉砂井大样图
各种沉砂井大样图
一种用于海绵城市的雨水沉砂井
为你推荐
依然闪亮美丽的孙艺珍牛仔时尚穿搭,清晨出发海外活动,仙女还是
[分享]水准仪读数要求
精致的一家四口头像,个性微信头像精选,有你想要的吗?
钢琴谱inksanstokyovania
狼尾假发男女短发网红鲻鱼头日系武士头发型韩版帅气学生全头套式
老伯干活
水仙花开,鼠年将来
听装南洋兄弟香烟纪念版