图知网
搜索
首页
热门推荐
图片分类
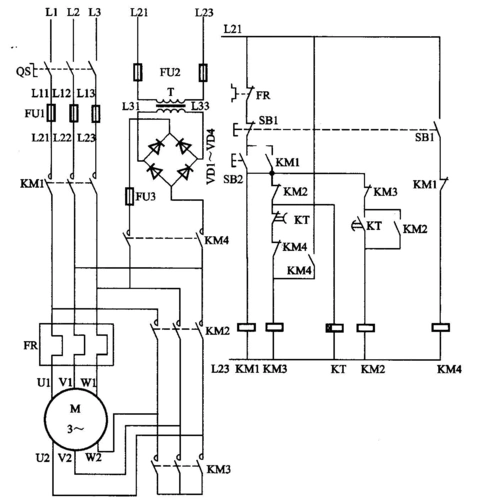
有师傅有电机星三角降压起动电路图么?
下载原图
相关图片
加油机电路系统图1(1)
文档下载 所有分类 工程科技 电子/电路 > 带直流能耗制动的星三角
关于电机正反转星三角的图纸
画出一电路图,要求在图上
星三角启动接线图星三角启动接线电路图
共1条 2010-12-31 10:20ipon|五级 |评论 分享到: 普通登录 手机登录
为你推荐
各种笑脸表情简笔画各种笑脸表情简笔画图片
变了质的《乐夏》:把初心"按在地上摩擦",赢了收视但输了口碑_乐队
斗罗大陆比比东壁纸
德式早餐#我的早餐打卡 #早餐吃什么 #今天的早餐长这样 #100天
咸丰县落马滩:荷花·蜻蜓
24元自制抠搜保温箱
给你棒棒糖_棒棒糖表情
大手拉小手之爱护公物人人有责系列活动——乌审旗第三实验小学五年级