图知网
搜索
首页
热门推荐
图片分类
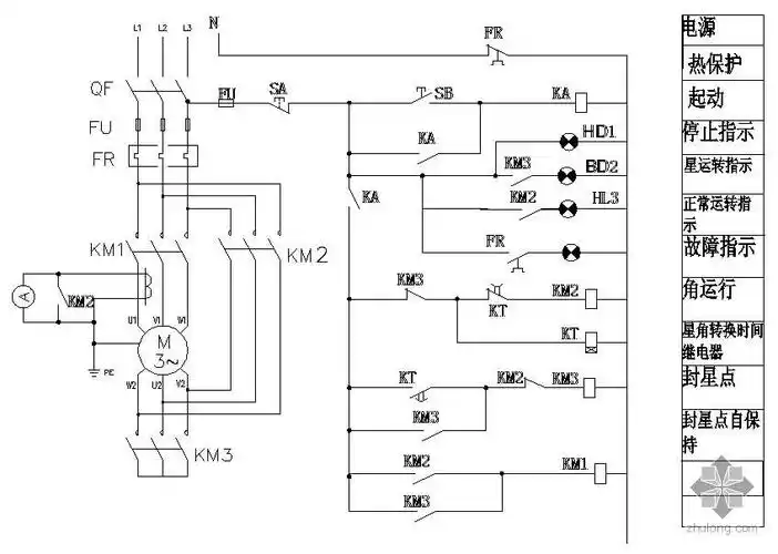
文档下载 所有分类 工程科技 电子/电路 > 带直流能耗制动的星三角
下载原图
相关图片
加油机电路系统图1(1)
星三角控制电路
画出一电路图,要求在图上
星三角启动接线图星三角启动接线电路图
正反转星三角降压启动-最常见电路-电工基础知识 - powered by discuz
[分享]星三角启动主电路图资料免费下载
为你推荐
男女完美身材对照表!拥有好身材很重要
我还在小鸟头顶上画了一些毛发,最后我给小鸟涂上颜色,我只用了两种
哈利波特城堡简笔画
一年级12班优秀数学小报《二》
【2017年整理】驾照科目一考试手势整理.doc
1,首先打开剪映,点击开始创作剪映混合模式在画中画的选项里.
网页链接《沉眠》网页链接人渣反派自救系统冰秋冰九渣反时隔一个月
夏季嫁接树月季用何种接法最合适如何避免黑芽坏死