图知网
搜索
首页
热门推荐
图片分类
原创57岁巩俐素颜霸气亮相肤嫩似少女黑框眼镜尽显知性美
下载原图
相关图片
10月18日,58岁的巩俐现身机场的一组照片,引起了不少网友的关注.
巩俐的侧颜硬照, 还是担当的起回眸一笑百媚生的
58岁巩俐近照吓坏网友, 胖到快200斤了,"千面巩皇变成老奶奶"了
巩俐|快60岁的巩俐参加巴黎活动!最新亮相,不打针不动脸的状态真绝
58岁巩俐近照惊呆网友胖到快200斤嫁71岁外国老公后
56岁巩俐气质更强穿白色吊带裙自信优雅身材发福也不影响美感
为你推荐
久违的吴敏霞[微博]回来了.
赵丽颖和小宝宝合照,小宝贝一直在看赵丽颖,看来小宝贝也很喜欢赵丽颖
双华桃酥礼盒 |平面|包装|cy陈泳_原创作品-站酷zcool
兔耳特辑p站二次元手机壁纸分享_特辑_二次元_手机
乡村的月光
扁平的福州
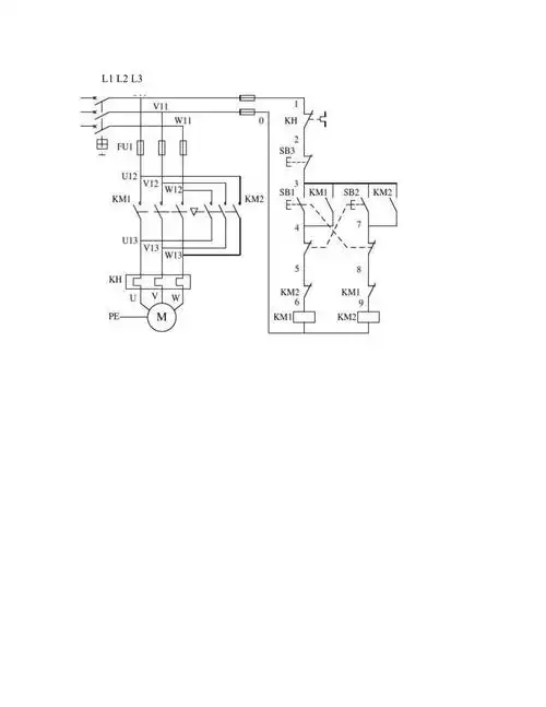
图2-20按钮和接触器双重联锁正反转控制线路_第1页
破船马上四分五裂菲不想再等了中国黄岩岛填海正在踩加油键