图知网
搜索
首页
热门推荐
图片分类
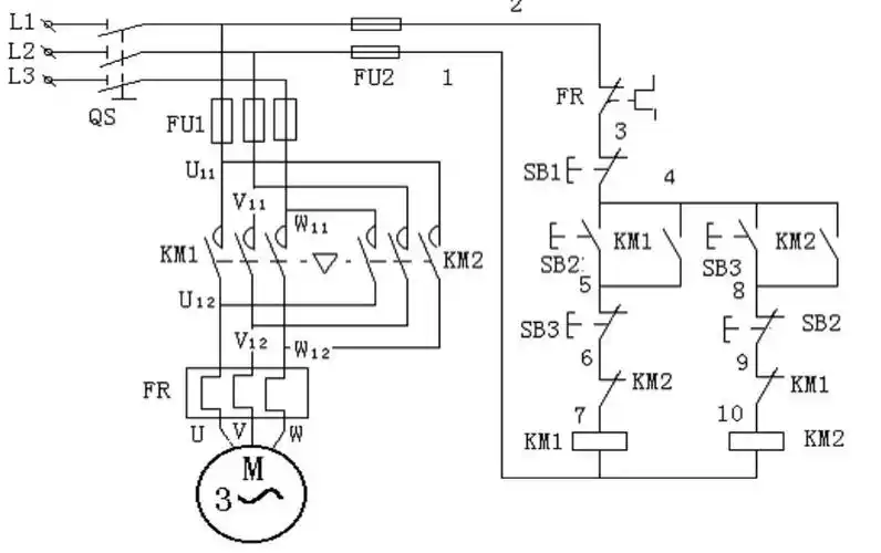
图2-20按钮和接触器双重联锁正反转控制线路_第1页
下载原图
相关图片
双重连锁正反转控制电路图
行程开关控制电机正反转电路图
两相电电动机正反转控制电路图 - 2020年最新商品信息聚合专区 - 百度
电工新手,请教老师傅,发张控制电动机正反转电路图和实物接线图,发到
一组控制按钮控制的电动机正反转电路
三相异步电动机正反转控制电路见附图.
为你推荐
李姓图片_百度百科
边伯贤q版 边伯贤头像 手绘图 边伯贤漫画 插画 exo手绘图
来啦!"海军"表情包来袭,海军节再也不尬聊
海神唐三头像
日本街手绘效果图
1800_2679竖版 竖屏
姐妹们喜欢哪一位公主啊!#叶罗丽精 - 抖音
city of stars-爱乐之城主题曲钢琴谱-c调-虫虫钢琴