图知网
搜索
首页
热门推荐
图片分类
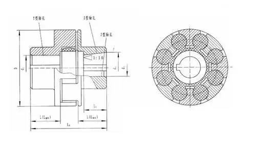
梅花型弹性联轴器,可以有带锥孔的那种.
下载原图
相关图片
求文档: 梅花弹性联轴器剖视图
西昌lmd2梅花对轮联轴器样本
lm(ml)系列梅花形弹性联轴器
lm(ml)系列梅花形弹性联轴器基本参数
安皓升梅花联轴器
梅花形弹性联轴器cad图纸
为你推荐
鞠婧祎晒私照,夏日清凉吊带穿搭可爱娇俏,又美又撩!
48款aj1低帮大合集 肯定有能让你心动得配色#总有一款适合 - 抖音
秦岚明星壁纸24
黑白女头像伤感高冷
新年情侣头像2022动漫恭喜发财大吉大利
tc-4040导热凝胶,陶熙? tc-4083导热凝胶
tvb幸运儿黄翠如,演技大起大落,依然获力捧
126克拉祖母绿切工方形皇家蓝蓝宝石