图知网
搜索
首页
热门推荐
图片分类
药流出来的孕囊图片
下载原图
相关图片
药流排出来的,这是孕囊吗?(有图慎入)
掉下来的完整孕囊图片两大区别可明辨图片血腥慎入
流出来的孕囊是怎样的(有图慎入)
有图,介意者深慎入 药流后排出的孕囊从形状上能看出男女吗?排出可
仅60天孕周的胎儿,药流后完整引出的模样看哭网友:真的太揪心了
吃完米索一个半小时流出这个,是孕囊吗,因为复查需要等十几天,我想先
为你推荐
走向成熟(青春期男生性教育)ppt
很难让人不想入非非,我可以!#肖战
进区规则
南柱赫 李圣经 壁纸
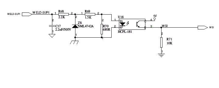
请问光耦输入并一个680欧姆的电阻有什么作用
【天猫超市】农夫山泉维他命水缤纷组合装500ml*12瓶/箱饮料
"丁达尔现象"在湖南出现,光芒万丈十分耀眼,这现象是好是坏
从热刺阵容看阵形战术选择(433-451-442)