图知网
搜索
首页
热门推荐
图片分类
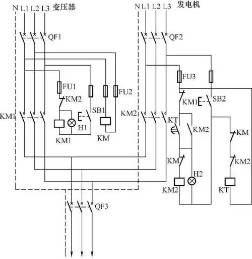
4,双重联锁正反转控制电路5,自动往返控制电路原理图6,多地控制7,顺序
下载原图
相关图片
双电源自动切换电路的识读方法
教你如何识读限位控制和循环控制电路
变频器正转控制电路的识读方法
实例分析,常用建筑电气设备电路图识读方法
电子电路识图从入门到精通电子元器件识读基础全彩图电子电路识图基础
原理图13,单向反接制动控制电路以上所介绍的电气控制电路图的识图
为你推荐
喜迎十一庆双节,青果集团友情联欢!
华为/荣耀(honor) 荣耀9青春版 3gb 32gb 全网通标配版智能手机(珠光
初中女生鞋冬季板鞋帆布鞋可爱学生中大童百搭刺绣休闲鞋 k2503黑紫-0
红山果吉他谱安与骑兵吉他图片谱2张
童话睡美人 ;世界经典 童话 情商教育美绘本: 睡美人 /顾
赵匡胤书法,赵佶书法,赵孟頫书法,以及赵氏历代书法欣赏
剪彩巡游准时开始,现场花车和游客互动,锣鼓喧天,苗旗招展,花车旁人山
背部训练教程一个龙门架4种练背方法