图知网
搜索
首页
热门推荐
图片分类
无锡韩光cb级32100whkn系列双电源自动转换开关
下载原图
相关图片
电脑双电源供电教程图
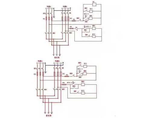
双电源自动切换电路的识读方法
图8-20 双电源自动切换电路
双回路电源什么意思
双电源自动切换装置主回路接线示意图
一种双电源自动转换开关的电压采样电路-爱企查
为你推荐
易姐带你看大片##吴磊双开门绿色套装##吴磊名品宽肩
不露脸女生头像/最好的会在最合适的时候遇见
欧美富婆网红最爱94chanel闪粉色小号沙滩包_沙滩包_香奈儿怎么样
名字的拼音和书写笔画的图片展示
《三毛流浪记》优秀读书小报展
时尚潮流 特步冰丝短袖
俯瞰重庆夜景
王者荣耀四大美女动漫头像闺蜜头像四人头像