图知网
搜索
首页
热门推荐
图片分类
电脑双电源供电教程图
下载原图
相关图片
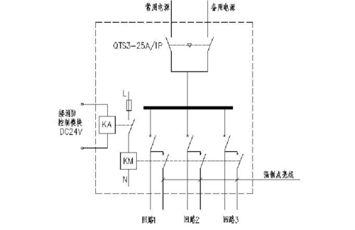
的原理,下面是电路图 (1),电路组成: ①,主电路,qs1,1号电源隔离开关
双电源自动转换开关接线原理图说明.doc
图8-20 双电源自动切换电路
双电源自动转换开关
交流接触器实现双电源自动转换 - 渴望和谐 - 渴望和谐
转换开关手动和自动原理图(双电源自动切换电路原理及原理图)
为你推荐
江红化妆学校#脸型# #眉形# #眉毛# #卡通美女# #模特#@罗衡
中药材苏梗苏梗 紫苏梗 紫苏杆正品新货干净无杂500克包邮
十二生肖系列插画
动漫女生壁纸#壁纸
崩铁:知更鸟新时装方案!黑丝魔女,魔法蓬蓬裙,官方收录排面大
红花花环自画像保拉莫德索恩贝克尔paulamodersohnbecker高清作品欣赏
襄阳别墅电梯!庞公别苑1000㎡两套别墅探访_襄城区_什么_系统
🎀车专➕关