图知网
搜索
首页
热门推荐
图片分类
在实际使用中7805急剧发热是什么原因呢
下载原图
相关图片
用7805做稳压,图中两个5v并联稳压管是干什么用的?
基于7805芯片制作并联稳压电路图
1.使用7805时的图
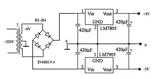
用7805和7905加四个二极管和两个电容和变压器怎么把220v交流转成
7805的接法问题
(1)求用三端集成稳压器7805升压成7伏电压原电流不变电路图
为你推荐
你喜欢收藏书签吗,极具古风的书签来几张
蔡襄《自书诗卷》_蔡襄书法欣赏_词典网
韩版新款儿童泳衣女孩中大童宝宝运动分体裙式游泳衣温泉泳装批发
jpg后面是贤者校服,太好看了00#最终幻想14
痣的位置与命运图解
油箱结构图
六年级解决问题和答案
scar突击步抢电动连cada17s抢积木双鹰81021电动连发拼装男孩吃鸡scar