图知网
搜索
首页
热门推荐
图片分类
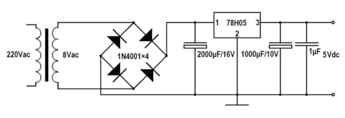
1.使用7805时的图
下载原图
相关图片
两个7805链接输出10v直流稳压电源 求电路图
7805稳压电源电路图
集成稳压块7805输出电压才3.8v,求解决
7805的接法问题
利用7805设计一个输出5v,2a(扩大输出电流)的直流稳压电源
(1)求用三端集成稳压器7805升压成7伏电压原电流不变电路图
为你推荐
一组可爱有趣的便便表情图片
简介
台湾回流老料高油包浆莲师法器三眼天珠
婚礼红色复古大气古装流苏凤冠结婚秀禾服配饰女秀禾头饰新娘中式
那些温柔可爱的文案
完整版北京城市总体规划2016年2035年来了
人物美女模特户外美女黑发长发艺术设计摄影景深服装长裙透视服装白
定制:可定制任意沙发垫沙发巾的尺寸和靠背三角巾,抱枕.