图知网
搜索
首页
热门推荐
图片分类
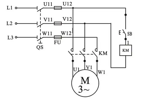
采纳答案 变极多速三相异步电动机的接线图
下载原图
相关图片
三相异步电动机的控制
三相异步电动机接触器点动控制线路
异步电动机的正反转控制电路(画出主电路和控制电路);并写出工作原理
三相异步电动机的连续运行控制电路图解
三相异步电动机正反转图解 控制线路原理如下95 97合上qs,按下正
三相异步电动机单向连续运行控制电路图
为你推荐
仁尼超强续航品胜适用于苹果x电池iphonexxr超大容量xs手机电板更换xs
抗日神剧电视剧大全集前十名,10部最雷人的抗战神剧 第6张
头发粗硬男士发型这样剪就对了帅气时尚真精神
2021年春季最新版早上好特别漂亮的早安动态祝福图片
红色华为mate20手机后置三摄像头太丑!
叶罗丽时希公主画画过程时希公主简笔画
"天价"养殖娃娃鱼跌下神坛调查②:实地探访"中国大鲵之乡"汉中,上万户
一束漂亮浪漫的玫瑰花图片