图知网
搜索
首页
热门推荐
图片分类
华为荣耀10 6 128 原装无拆修
下载原图
相关图片
华为/荣耀(honor) 荣耀10 全网通版 6gb 64gb 幻影紫色 移动联通电信
荣耀10青春版(6 64gb)
荣耀10继承了"荣耀9"独特的玻璃发光设计,在不同的位置处,能呈现颜色
荣耀10青春版有几种颜色
华为荣耀 10
华为荣耀10 6 64 原装无拆修全网通 95新 麒麟970处理器
为你推荐
西装商务男子背影高清图片下载
狗狗gif草地gif撒欢gif蹦跳gif
林允儿头像 惊艳了时光
帅气壮实的肌肉男模摆pose的样子真迷人好身材已经藏不住了
广州小龙虾的大哥大,做出了最多口味的龙虾拼盘
点击进入
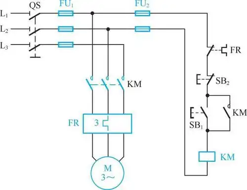
电动机单向控制电路故障检修方法
标签: 劳动局政府机构 行政单位