图知网
搜索
首页
热门推荐
图片分类
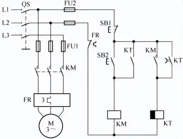
电动机单向控制电路故障检修方法
下载原图
相关图片
电动机直接启动电路图
电工常用电动机控制电路(四)
星三角降压启动的压缩机控制电路
三相异步电动机的启动控制电路
三相电动机星三角降压启动控制电路图解2 下图所示为时间继电器自动
电动机控制原理图
为你推荐
10人创意集体拍照姿势(毕业照拍摄姿势参考!pose对了,怎么拍都美)
精选摄影动物世界高清图片大全分享
在黑暗中抽烟的女人,孤独的女人
动漫 插画 唯美 少女壁纸【58】
猫和老鼠:西部大冒险壁纸
彩虹宝宝简笔画 彩虹宝宝简笔画
铝合金车棚美观实用家用庭院自行车棚别墅高档遮阳车棚
台湾名媛孙芸芸个人资料台湾名媛孙芸芸