图知网
搜索
首页
热门推荐
图片分类
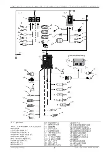
福田雷沃挖掘机fr60v8电器原理图pdf
下载原图
相关图片
三一挖掘机新版电气系统ppt
基于plc的挖掘机电气控制系统设计
卡特catd系列挖掘机电路pdf
三一挖掘机c9机型服务的培训讲义a.doc
挖机电瓶连接线路图
挖掘机维修资料,沃尔沃电控系统,电路图纸,中文讲解
为你推荐
王一博春节带赵丽颖"一起吃火锅,喝酒"姐弟俩桌上有说有笑好友爱
可爱的世界名画
乙女游戏实况雨枕外伝瀬头编完结
短袖薄款汉服盘扣半袖棉麻男士夏季上衣中式唐装居士服中国风透气
无趣简笔画100天挑战第6天奥力给的表情
美女美容投资自己变美励志手机摄影图海报
关注合集乙虎故事绘画创作大会虎杖悠仁东虎棘虎七虎绘画all虎胀虎
女头丸子头手绘