图知网
搜索
首页
热门推荐
图片分类
三一挖掘机新版电气系统ppt
下载原图
相关图片
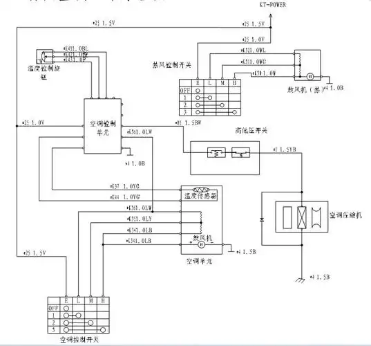
挖掘机空调电路原理
【大宇挖机图集】s220v 电路图.pdf 1页
卡特320d型挖掘机发动机控制电路原理及故障诊断方法
三一挖掘机c9机型服务的培训讲义a.doc
挖掘机电源线路
日立挖掘机雨刮器电路,给解释一下.多谢.
为你推荐
唯美紫色红番高清桌面壁纸图片
简笔画:分步骤画一个玉米99.1,画出玉米的一只叶片 2,补 - 抖音
绘制中国地图读取地图文件data=read.csv("聚类.
表情| 沙雕熊猫头合集
陈哲远 周斯越 暗格里的秘密
活力十足会让你上瘾的zumba舞瘦身又减压不信你试试
能飞回手里的才好玩教你折十字星回旋镖
《开心时光》 丹尼索蜡笔画 插画 儿童画 手绘 板绘 卡通 壁纸 头像