图知网
搜索
首页
热门推荐
图片分类
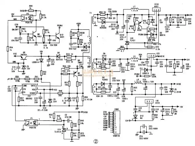
ob2263的代换
下载原图
相关图片
求一自制随身充电路图
ob2263,189vac以上输入vds波形异常!
过6kv雷击,ob2269 12v/2.1a辐射传导不过,整改
第一次做ob2263开关电源,参数设置不知道是否合适?
主题: ob2263满载断电后立即通电不起载
桥坏,1m电阻坏,q1坏,开关管坏,ob2263坏,除了ob2263拆了没装,其它都
为你推荐
邪骨团最后有彩蛋
美少女战士壁纸|代表月亮消灭你#美少女战士#壁纸超话
互联网邪笑表情线性缩放可爱动效icon图片下载
原创原创完颜女神杨晨晨演绎新式旗袍风绿色旗袍复古优雅自带芬芬
音符乐理表音乐教室布置挂图符号常识宣传画海报五线谱简谱知识墙贴纸
动漫丙烯画二次元女孩二次元绘画
兰雨霖和朱泳腾差几岁 朱泳腾老婆兰雨霖照片个人资料背景
虎门销售smt机贴片用塑料ps黑色载带 各类电子元器件包装料带卷盘