图知网
搜索
首页
热门推荐
图片分类
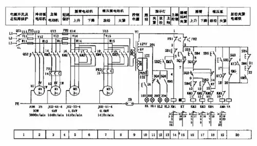
z3050型摇臂钻床电气控制线路主电路分析
下载原图
相关图片
3050摇臂钻床 特点 1,主要关键件选用高强度铸铁和特供钢材.
plc在z3050型摇臂钻床改造中的应用
z3050摇臂钻床电气电路图
实训考核装置电路图 z3050型摇臂钻床电气原理图及故障点
各位大侠谁有z3050摇臂钻床电气原理图沈阳机床产的还有上海重型机床
z3050摇臂钻床电气控制电路.doc 6页
为你推荐
生日快乐哦表情包
业务上出现问题陷入困境的商人与表达情绪的头上的纸箱
七八十年代中国龙泉底款口径103厘米釉下祥云图龙泉青瓷盘8个六个有
隆鑫牌lx150zh16正三轮摩托车
多肉植物 钢叶莲 有喜欢的可以加我主业微信私聊了啊!
简致时尚冰种阳绿方形翡翠吉祥吊坠
埙是一种中国古老的吹奏乐器,具有悠久的历史和独特的音色.
西班牙,餐前小吃,辛辣,开胃食品,蒜味辣肠