图知网
搜索
首页
热门推荐
图片分类
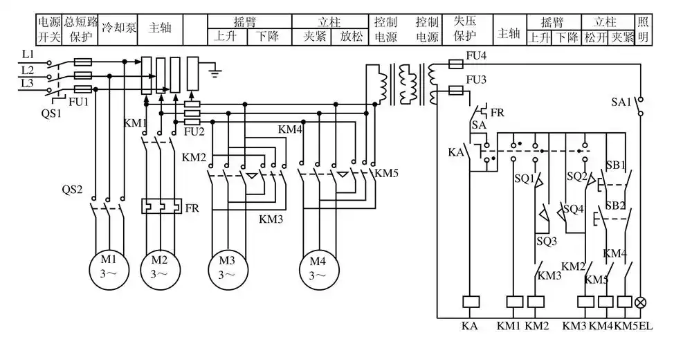
实训考核装置电路图 z3050型摇臂钻床电气原理图及故障点
下载原图
相关图片
z3050摇臂钻床电路原理与维修doc
z3050摇臂钻床电气电路图
摇臂钻床控制线路
z3050摇臂钻床电气控制系统改进分析
z3050摇臂钻床电器控制原理
z3050摇臂钻床电气控制电路.doc 6页
为你推荐
还是真cp好磕啊之前磕的一对已经风光大葬了#赫海 #李赫宰 #李东海
情书 电影 剧照 壁纸 侵删
威尼斯澳门网站_彻底绝望伤心的图片 心彻底绝望的高清图片_微信头像
可爱手绘风卡通动物萌宠小兔子头像图片
泰星aum与aff再次同框 入门泰剧的男神女神们 谁是你的泰剧初心?
《铁匠波尔卡》 写美篇 在奥地利的小镇上有一座铁匠铺
焦作小儿湿疹医院_焦作治疗小儿湿疹哪家医院好_焦作治疗小儿湿疹最好
nyx眼影我熟666种日常通勤眼妆新手进